技术破局!CET逻辑可编程技术破解乌干达阿尔伯特湖油田低压线路控制难题
技术破局!CET逻辑可编程技术破解乌干达阿尔伯特湖油田低压线路控制难题
在油田开采行业中,低压配电系统承担着为电动机、控制系统、安全联锁装置等供电的重任,为了保证开采流程连续、设备安全及作业人员安全,油田开采项目需配置低压线路保护装置对配电回路进行综合保护和控制。

【图片来源新华社】
近期,作为共建“一带一路”倡议下的绿色能源工程,乌干达阿尔伯特湖油田开采项目在全过程主动对标绿色发展理念,对低压线路的保护与控制提出更高标准:
- 线路保护的分合闸逻辑需要考虑保护状态、断路器状态、PSS(过程安全系统)/ESD(紧急停车系统)状态、外部故障状态等多重信号;
- 现场有三种不同类型的低压回路,并要求采用不同的控制逻辑;
- 逻辑可现场灵活修改,以应对后期现场的调整。
传统低压线路保护装置的固有逻辑难以满足本项目的实际需求,虽然支持定制开发,但周期较长且无法在现场灵活调整。若额外加装PLC,又会显著增加设备采购与后期运维成本。针对这一情况,CET中电技术提供了PMC-550F-V低压线路保护测控装置,该装置不仅具备预设的固有逻辑,还支持FBD(功能块图)逻辑可编程功能,可快速响应本项目中的低压线路控制要求。客户还能根据现场实际情况,灵活调整逻辑配置,显著提升了部署效率。

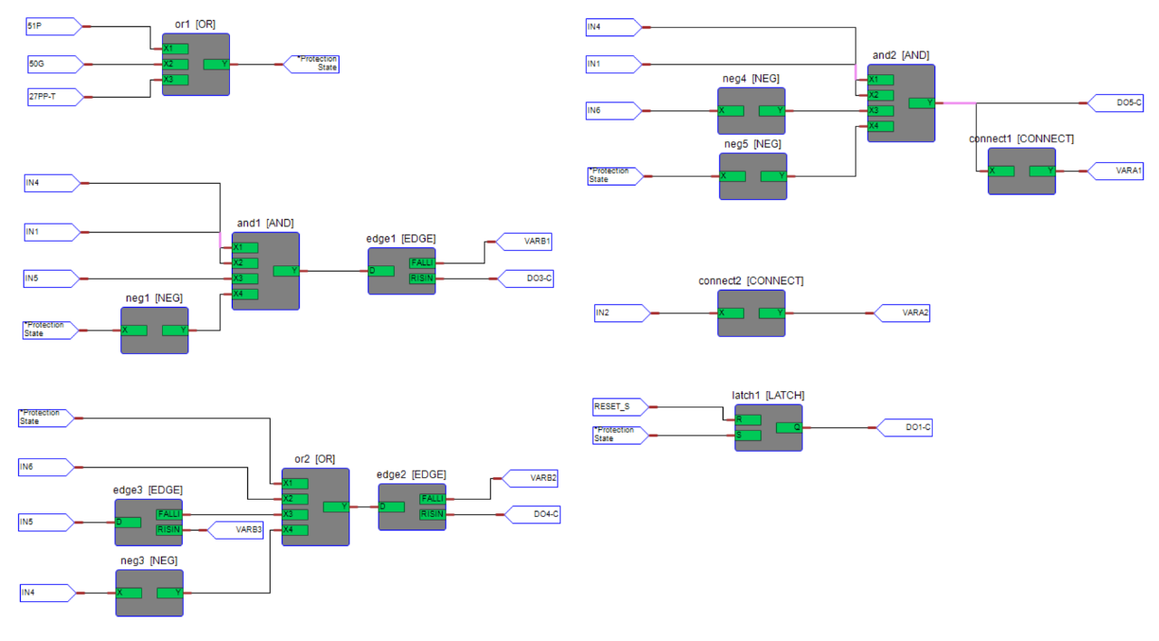
使用免费配套的PMC-Designer图形化编程工具,从需求确认到完成3套逻辑的编写、导入、验证以及调试文档下发仅耗时3天,若后期现场工况变化,用户自行修改逻辑即可,大幅度加快项目整体进度、降低项目实施成本、提高后期运维效率,获得了客户的高度认可。

【PMC-Designer绘制的逻辑图】
在低压保护控制产品中,以往仅部分外资品牌的高端型号支持逻辑可编程功能,并允许用户在现场修改配置。如今,PMC-550全系列产品均支持FBD逻辑可编程功能,能够灵活实现复杂控制逻辑与自定义功能需求,已在油气开采、化工、有色金属冶炼等行业得到广泛应用。







